| Start Experimente- ELEXS
 -- PC-Radio
 -- Infrarot
 -- Oszillator
 -- Dekoder
 -- Platine
 Grundlagen Produkte Neues Impressum | WiderstandslogikEin Beitrag aus der Bastelecke 
| Mancher kennt schon Dioden-Logik, Transistor-Logik,
TTL und CMOS-Logik. Aber Widerstands-Logik, wie soll das wohl gehen. Hier
kommt ein Beispiel: Ein vollständiger 4-aus-2-Dekoder mit nur drei
Widerständen. Hat da jemand gesagt, das geht nicht? Geht doch! 
 |  
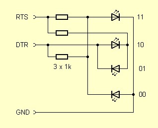
| Der Dekoder hängt an der seriellen Schnittstelle
und dekodiert die Signale der beiden Leitungen DTR und RTS. Den vier möglichen
Zuständen sind vier LEDs zugeordnet. Es leuchtet immer nur eine. Hier
ist die Schaltung: 
 |  
| Zum Ausprobieren braucht man etwas Software, z.B.
das Programm IOtest. Wie die Schaltung genau funktioniert, möchte
ich nicht verraten. Jeder soll es selbst herausfinden. Die steilste Wand erklimmt der Verstand.
 (Dietrich Drahtlos)
 Nur zwei Tipps möchte ich geben: Die Ausgangssignale der Leitungen
DTR und RTS sind bipolar mit ca. -10 V und +10 V. Und außerdem handelt
es sich genaugenommen um eine Art Widerstands-Dioden-Logik, denn es klappt
nur, weil die LEDs Dioden sind.  |  |